EmStat Pico Specifications

This page will detail the technical specifications of the EmStat Pico module. This page is based on the datasheet provided on the EmStat Pico product page.

Features

Analog

  • 5 analog inputs including 2 high impedance (1 TΩ)

  • 2 current measurement channels each with max. current of ±3 mA and min. resolution of 5.5 pA on lowest current range

  • 16-bit, analog-to-digital converter (ADC)

  • Two 12-bit voltage output DACs, range 0.2 to 2.4 V (±2.2 V voltage potential to sensor)

  • Two potentiostat circuits with impedance measurement capability <10 Ω to 100 MΩ,

  • 0.016 Hz to 200 kHz

  • Internal temperature sensor, ±2°C accurate

Digital

  • UART

  • I2C

  • SPI

  • 8 GPIO

  • SD card support

Dimensions

30.5 mm X 18 mm X 2.6 mm

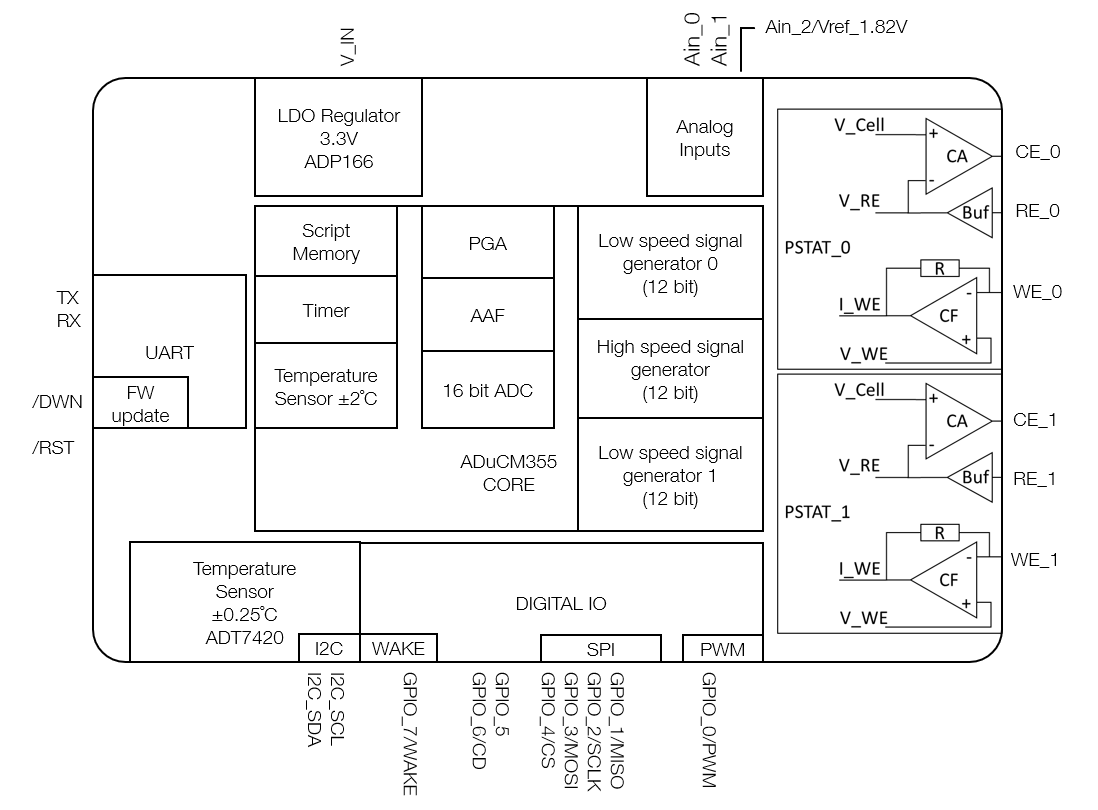
Functional block diagram

functional block diagram
Figure 1. EmStat Pico functional block diagram

Mechanical drawing

EmStat Pico dimensions
Figure 2. EmStat Pico module dimensions (all values in millimeters)

Pinout

EmStat Pico pinout
Figure 3. EmStat Pico pinout

Pin functions

Table 1. Pin function description
Pin
No.
Name Type Description

1

N/C

Reserved

Factory use only

2

RX

DIO

UART receive. Baud rate: 230400 Bd

3

TX

DIO

UART transmit. Baud rate: 230400 Bd

4

/DWN

DIO

Initiates bootmode. Firmware download begins on exiting reset. (Active Low). This pin is pulled up to 3.3 V by a 10 kΩ resistor.

5

/RST

DIO

Resets the module processor. (Active Low). This pin is pulled up to 3.3 V by a 10 kΩ resistor.

6

GPIO_0

DIO

General-Purpose Input/Output Port 0 / PWM Output. This pin defaults as tri-state.

7

GPIO_1

DIO

General-Purpose Input/Output Port 1 / SPI_MISO. This pin defaults as tri-state.

8

DGND

GND

High speed digital signal GND return. The module has a single continuous Gnd plane.

9

GPIO_2

DIO

General-Purpose Input/Output Port 2 / SPI_CLK. This pin defaults as tri-state.

10

GPIO_3

DIO

General-Purpose Input/Output Port 3 / SPI_MOSI. This pin defaults as tri-state.

11

GPIO_4

DIO

General-Purpose Input/Output Port 4 / SPI_CS. This pin defaults as tri-state.

12

CE_1

V_out

Potentiostat 1 output. This pin is connected to a Counter Electrode when measuring electrochemical sensors. Optionally, this pin can be used as a DAC output.

13

WE_1

I_in

Potentiostat 1 current measurement TIA input. For electrochemical measurements this pin is connected to the Working Electrode.

14

RE_1

V_in

Potentiostat 1 high impedance reference input. For electrochemical measurements this pin is connected to the Reference Electrode. Optionally, this pin can be used as an ADC input. If unused, it is recommended to connect this pin to AGND.

15

AGND

GND

Analog signal Gnd. The module has a single continuous Gnd plane.

16

RE_0

V_in

Potentiostat 0 high impedance reference input. For electrochemical measurements this pin is connected to the Reference Electrode. Optionally, this pin can be used as an ADC input. it is recommended to connect this pin to AGND.

17

WE_0

I_in

Potentiostat 0 current measurement TIA input. For electrochemical measurements this pin is connected to the Working Electrode.

18

CE_0

V_out

Potentiostat 0 output. This pin is connected to a Counter Electrode when measuring electrochemical sensors. Optionally, this pin can be used as a DAC output.

19

Ain_2

V_in

ADC Input / 1.82 V buffered voltage reference. Decouple reference to GND via a 100 pF capacitor. The maximum load current = 200 μA.

20

Ain_1

V_in

ADC Input.

21

Ain_0

V_in

ADC Input.

22

GPIO_5

DIO

General-Purpose Input/Output Port 5. This pin defaults as tri-state.

23

GPIO_6/CD

DIO

General-Purpose Input/Output Port 6. Card Detect input for use with SD cards. This pin defaults as tri-state.

24

GPIO_7

DIO

General-Purpose Input/Output Port 7 / WAKE. This pin is pulled up to 3.3 V in Sleep and Hibernate modes and is used to wake the device. This pin defaults as tri-state.

25

I2C_SCL

DIO

Interface Clock for I2C. This pin is pulled up to 3.3 V by a 10 kΩ resistor.

26

I2C_SDA

DIO

Interface Data for I2C. This pin is pulled up to 3.3 V by a 10 kΩ resistor.

27

V_IN

Power

3.5 V to 5.5 V vs GND.

28

DGND

GND

Power supply GND return. Module has a single continuous GND plane.

Absolute maximum ratings

Parameter Rating

V_IN to GND

-0.3 V to +6.5 V (see ADP166)

Analog Input Voltage to GND

-0.3 V to +3.6 V

Digital Input Voltage to GND

-0.3 V to +3.6 V

Total Positive GPIO Pins Current

30 mA

Total Negative GPIO Pins Current

-30 mA

Storage temperature

-65 °C to +100 °C

Operating temperature

-40 °C to +85 °C

ESD Human Body Model (HBM)

4 kV

ESD Field-Induced Charged Device Model (FICDM)

1 kV

Hand Soldering (10 seconds per pin)

400 °C

Reflow temperature

245 °C

Stresses at or above those listed under Absolute Maximum Ratings may cause permanent damage to the product. This is a stress rating only; functional operation of the product at these or any other conditions above those indicated in the operational section of this specification is not implied. Operation beyond the maximum operating conditions for extended periods may affect product reliability.

Electrical specifications

Table 2. EmStat Pico electrical characteristics. Determined at 25 °C.
Parameter Min Typ Max Unit Details

ADC

Input Voltage Range

0.2

2.1

V

Data Rate

800

kSPS

Resolution

16

Bits

Analog inputs

Leakage Current

-1.5

±0.5

1.5

nA

Ain_0 to Ain_3, WE_0, WE_1 (OFF)

Leakage Current

±10

pA

RE_0, RE_1

EIS measurement

Frequency range

0.016

200k

Hz

Excitation Amplifier Bandwidth

3

MHz

Impedance Measurement Range

10

10M

Ω

Potentiostat circuit
(Low speed)

WE Input Bias Current

80

300

pA

WE input, 25 °C

RE Input Bias Current

10

pA

RE input, 25 °C

Offset voltage

50

150

μV

Source/Sink current

-3

3

mA

Applied potential accuracy

0.04

0.2

%

Current Range accuracy

0.1

< 0.5%

%

±0.1% of range offset

Max bandwidth > 100 nA CR

100 Hz

Max bandwidth 100 nA CR

16 Hz

Potentiostat circuit
(High speed)

WE Input Bias Current

1

nA

WE input, 25 °C

RE Input Bias Current

10

pA

RE input, 25 °C

Offset voltage

50

150

μV

Source/Sink current

-3

3

mA

Applied potential accuracy

0.1

0.5

%

Current Range accuracy

0.2

1.0

%

±0.1% of range offset

Max bandwidth > 6 μA CR

10

3000

kHz

Max bandwidth 6 μA CR

5

kHz

Max bandwidth 1 μA CR

800

Hz

Max bandwidth 100 nA CR

80

Hz

DAC

Resolution

12

Bits

Voltage Range (Low speed)

0.2

2.4

V

Voltage Range (High speed)

±0.607

V

On a bias point fixed by the Low Speed DAC

Low and High Combined

0.2

2.8

V

Buffered reference voltage output

Voltage

1.815

1.82

1.825

V

TA = 25°C, capacitive load to ground 100 pF

Load Current

200

μA

GPIO

Input Voltage Low

0.825

V

Input Voltage High

1.88

V

Output Voltage Low

0.3

V

Sink current = 2 mA

Output Voltage High

2.9

V

Source current = 2 mA

Short-Circuit Current

11.5

mA

Temperature sensor (default ADuCM355)

Resolution

0.3

°C

Accuracy

±2

°C

Temperature sensor (optional ADT7420)

Resolution

0.0078

°C

Accuracy

±0.25

°C

Power requirements

V_IN voltage range

3.5

5

5.5

V

Normal (High speed 1 Chan)

30

mA

Normal (Low speed 1 Chan)

10

mA

Normal (Low speed 2 Chan)

15

mA

Sleep (Static 1 Chan)

8

mA

Sleep (Static 2 Chan)

13

mA

Hibernate mode

10

μA

For more detailed specs see datasheets for ADuCM355, ADT7420, ADP166 and AD8606.

Power supply

The EmStat Pico has an on-board 3.3 V LDO (ADP166) and supply filtering. This provides clean operation from a USB or a 3.5 V to 5.5 V supply. Driving the EmStat Pico V_IN directly from a switching regulator may introduce measurement noise. Care should be taken to provide clean power to the V_IN pin.

Power modes

Normal mode

CPU running. PSTAT channels configured by the user (OFF, OCP, Low Speed, High Speed). Measurement performed.

Sleep mode

CPU is not running. PSTAT channels configured by the user (OFF, OCP, Low Speed, High Speed). All voltages are still applied, but no measurements can be done.

Hibernate

CPU is not running. PSTAT channels are OFF.

Digital interface

The EmStat Pico features the following digital interfaces:

  • UART with baud rate of 230400 Bd

  • SPI port with SD card support. (EmStat Pico as master only). For SPI timings see ADuCM355.

  • I2C port. (EmStat Pico as master only). Note: The ADT7420 temperature sensor is connected to this bus and both the SCL and SDA lines have 10 kΩ pullup resistors to 3.3 V

  • 1 PWM output

  • 8 GPIO

Calibration

The EmStat Pico has on-board 1 kΩ and 100 kΩ precision resistors (accuracy: ±0.1%, temperature coefficient: ±25 ppm/°C) for self-calibration.

Analog interface

DAC modes

The EmStat Pico has 2 low speed DACs and one high speed DAC. The 2 low speed DACs have an output range of 0.2 V to 2.4 V and can be used simultaneously. The single high speed DAC has an output range of ±0.607 V on a bias point fixed by the low speed DAC.

A low speed DACs and the high speed DAC can be combined to achieve an output range 0.2 V to 2.8 V. This can be done on one channel at a time.

Potentiostat channels

The applied cell potential is the voltage between RE and WE (voltage supplied at CE and controlled at RE by potentiostat loop) of the Potentiostat Channel. WE is maintained at a potential between 0.819 V and 2.366 V to allow headroom for the TIA to operate. Thus the applied potential ranges are:

high speed DAC: -1.981 V to 2.166 V.

low speed DAC: -1.581 V to 2.166 V.

The EmStat Pico uses the 2 potentiostat channels of the ADuCM355 with the addition of high impedance buffers (AD8606) on the RE inputs. See links below for further details.

Analog inputs

The EmStat Pico features a 16-bit, 800 kSPS, successive approximation register (SAR) analog-to-digital converter (ADC) with multiplexer, input buffers, built-in anti-aliasing filter (AAF), and programmable gain amplifier (PGA). The input range of 0.2 V to 2.1 V. The multiplexer switches between the analog input channels (Ain_0 to Ain_2) and the current and voltage measurement channels of PSTAT_0 and PSTAT_1. For further details see ADuCM355 documentation.

Layout

Surface mount PCB footprint

Figure 6 shows the recommended SMT footprint for the EmStat Pico for hand soldering directly to a PCB using the castellated pads. Pads are 3 mm long by 1.5 mm wide.

EmStat Pico footprint
Figure 4. EmStat Pico surface mount footprint

Through hole PCB footprint

Figure 7 shows the recommended through hole footprint for the EmStat Pico for mounting with Samtec TS-112-T-A-1 pins. Pads are 1.5 mm diameter with 0.8 mm diameter hole spaced on a 2.54 mm (100 mil) grid.

picodat/media/image12
Figure 5. EmStat Pico through-hole footprint. Grid is 2.54 mm (100 mil)

Layout considerations

The EmStat Pico has 3 GND pins. Pin 28 is the power supply GND return. Pin 8 is located beside the SPI lines to provide a high speed digital GND return. Pin 15 is located beside the Analog pins to reference single ended analog signals and to connect to external shielding. The module has a single continuous GND plane, so all 3 pins are connected together.

When laying out a PCB to carry the EmStat Pico it is recommended to use a single continuous GND plane and to zone the board as shown in Figure 8. If desired, separate analog and digital GND planes can be used with the EmStat Pico providing the connection between the two planes.

Recommended PCB zoning
Figure 6. Recommended PCB zoning

Assembly

SMT board-to-board soldering

The EmStat Pico has castellated pads on each side to allow surface mount board-to-board soldering. It is recommended to use hand soldering onto the footprint detailed above using a 1.2 mm chisel tip at 370°C and dwell for no more than 10 seconds on each pad.

SMT reflow information

The EmStat Pico has a Moisture Sensitivity Level (MSL) of 3.

Recommended reflow temperature is maximum 245 °C.

Pin mount

The EmStat Pico through hole pads have an internal diameter of 0.76 mm (30 mil). These are designed to accept 0.64 mm (25 mil) diameter pins such as Samtec TS-112-T-A-1. The through hole pads are located on a 2.54 mm (100 mil) grid to match standard prototyping board. It is recommended to hand solder the pins into the EmStat Pico using a 1.2 mm chisel tip at 370°C and dwell for no more than 10 seconds on each pad. Use Low Residue Tin (No-Clean Flux Core Solder).

Changes in specifications and typing errors reserved. Every effort has been made to ensure the accuracy of this document. However, no rights can be claimed by the contents of this document.

Design resources

The 3D model and Altium symbol and PCB footprint can be found in the download section of our website: https://www.palmsens.com/pico

Accessories

See for more accessories: